
设计理念:质量源于设计,效率源于设计,成本控制也依赖于最优化的设计;
1、为客户量身定制工艺方案。我公司的资深设计工程师团队将通过自身多年来跨行业,跨国域的工程经验为客户设计最适合的,性价比最高的,最能符合客户需求的方案;
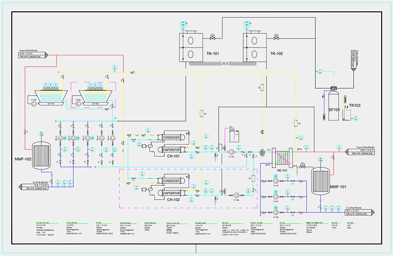
2、采用先进的设计工具,例如3维设计软件、应力分析软件、物料平衡及热平衡计算软件、各种模拟选型软件以及先进的电气自动化设计软件,可以是设计更高效、更准确、更直观也可以最大程度的减少人为错误;
3、在良好自动化生产实践指南GAMP5的指导下确保计算机化系统符合预定用途并遵从适用法规要求。

Our concept of design:Design makes quality; design makes efficiency; design makes cost effectiveness.
1.We are in the business of delivering a customized design service that adds value and gets results for every client. Our designers are extraordinary individuals with years of experience in cross-industry, cross-domain
projects. Our people provide the most cost effective and best match design for our clients.
2.The application of advanced design software such as 3-dimensional design software, stress analysis software,material balance and heat balance software, a variety of analog selection software and state-of-the-art electrical automation design software makes our design more efficient, more precise, and more intuitive and minimizes human error.
3.Under the guidance of Automated Production Practice Guide GAMP5, we ensure the computerized system comply with the intended purpose and applicable regulatory requirements.


电话:15961822389
Q Q:
手机:15961822389
地址:无锡市新吴区硕放新红光路9号204室
